
Ko nga here he ara iahiko mahara iti e huri ana i te putanga i runga i nga taumata o te pupuhi whakauru.Ka penapena raraunga mo te wa poto, ka mau tonu nga tohu.Ka awhina tenei ki te pupuri i nga mahi tika i roto i nga iahiko mamati.Ka tautokohia nga punaha karekau e rere i roto i te waa tino pai, penei i nga kaiwhakahaere tere tere me nga taputapu peripheral.Ka awhina ano ratou ki te whakahaere i nga huringa whakauru me nga huringa whakaputa i roto i nga tauranga I O.
Ka tautokohia e nga here te rokiroki raraunga rangitahi me te awhina i nga tohu i roto i nga iahiko mamati.Ka whakaitihia nga raru na te rereketanga o te waa i waenga i nga tohu.Ko te rokiroki raraunga pumau ka pai ake te mahi i roto i nga punaha tere.He maha nga taputapu e whakamahi ana i nga here hei pupuri i te rere tohu.Ka whakawhirinaki nga taputapu peripheral ki nga here hei tautoko i te whakawhitiwhiti korero i waenga i nga waahanga taputapu hono.
Ka whakarōpūhia nga here i runga i ta raatau whakautu ki nga tohu whakauru.Ko etahi o nga here e whakamahi ana i te tohu mana whakaahei hei tuku, hei aukati ranei i nga huringa raraunga.Ma tenei ka ngawari ake te whakahaere me te whakahaere.Ko etahi atu here ka huri tika i runga i nga tohu whakauru.He ngawari, he tere hoki tenei hoahoa.He rereke nga hiahia o ia momo i runga i te taumata mana me te tere.
Ka whakamahia nga here i roto i nga punaha e hiahia ana kia tere me te pumau te whakawhiti i waenga i nga ahuatanga whakauru me te putanga.I roto i te hoahoa microcontroller, ka tautoko nga here i te whakawhiti i waenga i nga aratau whakauru me te whakaputa i roto i nga punaha whakahaere.Ka taea e tenei te mahi tika i roto i nga tukanga aunoa.I roto i nga punaha sensor, ka awhina nga here ki te pupuri i nga raraunga i nga huringa tere.Ka tautoko tenei i nga whakautu tuuturu i roto i nga punaha penei i nga waka.Ka whakamahia hoki nga here i roto i nga taputapu korero hei pupuri i nga tohu kia pono i te wa e rereke ana nga ahuatanga.
Ka whakapai ake te ara iahiko here me pehea te whakahaere a nga punaha mamati i nga huringa raraunga.Ka tautokohia e ratou te whakawhiti tere me te rokiroki raraunga ngawari.Ma tenei ka pai ake te tere o te tukatuka me te iti o te whakamahinga o te kaha.Ka tautoko hoki nga here i te tipu o te punaha me te hoahoa ngawari.Ko enei painga ka puta i roto i nga punaha whakauru, nga whatunga korero, me nga punaha whakahaere ahumahi.
Ko te hoahoa raka pai e aro ana ki te mahi tuturu me te tere.Ka awhina te whakamarumaru ki te aukati i nga haruru hiko e kore e hiahiatia, ka noho marama nga tohu.Ko nga tikanga arowhai hapa ka whakapai ake i te pono i nga ahuatanga kore.Ko te whakaroa me te iti o te whakamahi hiko ka pai ake te mahi katoa.Ko enei tikanga e tautoko ana i te hoahoa punaha pai ake me te mahi pono puta noa i nga tono rereke.
Ko nga here he tikanga mo te wa poto mo te pupuri i nga ahuatanga raraunga, te pupuri i nga korero hei pupuri i te hononga o te punaha i roto i nga waa whakawhiti.I roto i nga ahuatanga me te kore tauritenga o te waa, penei i nga kaitahuri tere-tere e hono ana me nga taputapu peripheral puhoi ake, ka whakapumau nga here i nga taumata tohu, te aukati i nga hapa me te whakarite i te pono o te punaha.Ko o raatau kaha ki te whakahāngai i nga whakaritenga o te waa kanorau he tautoko nui ki te karo i nga aitua tukutahi ka taea te whakararu i te rerenga raraunga, te aukati ranei i nga mahi.He maha nga wa ka ara ake enei wero i te wa o te whakatikatika i nga punaha whakauru, i te wa e hanga ana i nga anga whakawhitiwhiti korero, ka kaha te awe o te wa tika ki te tuku raraunga kore.
He mahi nui nga here ki te whakakotahi i te whakawhiti raraunga i waenga i nga taputapu e mahi ana i nga tere rereke.Ka mahi ratou hei takawaenga mana whakahaere ki te whakamaarama i te whakawhitiwhiti korero mai i nga kaitahuri tere-tere ki te puhoi ake i nga peripheral, me te whakarite i nga taunekeneke wai me te kore e aukati i te pai o te mahi, te taumaha ranei o nga waahanga tukatuka.Hei tauira:
• I roto i te ahumahi aunoatanga, ka whakawhitiwhiti whakaaro nga microcontrollers ki nga punaha hikohiko i hangaia kia mahi i nga tere ine.
• Ma te noho hei parepare rangitahi, ka mau tonu te hononga o te punaha me te pupuri i nga paerewa mahi, ahakoa i raro i nga tikanga e hiahia ana kia pono tonu.
Ka whakapai ake nga here i nga hihiko tauranga whakauru-puta ma te tuku i nga tauranga ki te whakahaere tika i nga whakawhitinga raraunga tukutahi.Ka penapenahia e ratou mo te wa poto nga tohu mai i nga whakaurunga, i nga whakaputanga ranei, ma te whakamaarama i te taumahatanga o nga kaitukatuka i roto i nga punaha uaua.Whakaarohia:
• I roto i te tukatuka whakairoiro, ka tautokohia e nga here nga reiti whakamaarama tere mo nga whakaaturanga atahanga mamati ma te whakamahi i to raatau kaha ki te pupuri i te rerenga raraunga.
• Ko tenei whakaritenga ka whakaiti i te ti'aturi ki te mana tukatuka PTM, me te whakarite ka tukuna ano nga rauemi rorohiko ki nga mahi uaua ake, na reira ka piki ake te mahi puta noa i te punaha.
I roto i nga tono kaha-tairongo, ka whakanuia e nga here te pai o te whakahaere ma te whakaiti i te whakaurunga PTM i te wa e whakahaere ana nga raraunga.Ma te whakapumau i nga tohu mo te wa poto, me iti te aro o te kaiwhakatikatika, me te whakaheke i te whakapaunga hiko i te wa e arotau ana te tohatoha rauemi.Ko nga tauira ko:
• Ko nga hangarau whakahou tere e whakamahia ana i roto i nga kakahu mamati, i nga taputapu hiko kawe ranei, ka whakawhirinaki ki nga here kia mau tonu ai te mahi me te kore e utaina he taumahatanga ki runga i nga kaitukatuka.
• Ko to ratou kaha ki te mahi hei kaitakawaenga o nga kaipupuri whenua e tautoko ana i nga hoahoa e whakanui ana i te mahi taurite me te tiaki, e pai ana ki nga ahumahi e aro nui ana ki te oranga tonutanga o nga taputapu.
Ka whai hua nga here ki nga whakapainga katoa puta noa i nga hoahoanga matihiko.Ma te whakarite i nga taunekeneke raraunga tukutahi me te whakaheke i te riipene tukatuka, ka whakaahuruhia te punaha me te whakatairanga i nga mahi hoahoa.Ko nga tono o te ao e whai hua ana mai i o raatau kaha ki te aukati ko:
• Ko nga whatunga whakawhitiwhiti tere tere e whakahaere ana i nga whakaroa whakaroa me te tukutahi tohu pono.
• Ko nga punaha rokiroki penei i nga puku totika ma te whakamahi i nga here ki te arotau i nga huringa panui/tuhi, kia piki ake te pai o te whakaputa me te whakaiti i te roanga mahi.
Ko enei tauira e whakaatu ana i te mahi nui o nga here i roto i nga punaha matihiko hou.Ko ta raatau whakamahinga e tautoko ana i te toenga o te pono, te tere, me te ngawari.

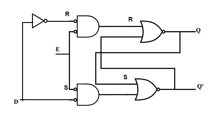
Ko te anga whakahaere o te punaha raka ka uru ki tetahi huarahi hangai engari uaua ki te hoahoa hiko.I tona turanga, ko te D flip-flop te waahi rokiroki tuatahi, ka whakanuia e te whatunga o nga keeti arorau taketake (ME, OR, KORE).Ko enei kuaha he whakamaori i nga tohu i roto i te punaha e arahina ana e te tohu karaka (C), e whakarite ana i te tukutahitanga tika i nga wa whakawhiti kawanatanga.Ko nga whakaurunga penei i te raraunga (D) me te tohu karaka huripoki (C̅) ka hono ki te whakaputa i nga putanga motuhake e rua: te tohu rongoa (Q) me tana taapiri (Q̅).
Ko te ruku i tua atu o te hanganga, ko nga maataapono o te mahi i te taumata-whakaoho he tirohanga marama ake mo te mahi o nga here i roto i nga tono kanorau.
• Hopu Raraunga
Ma te whakauru i te tohu whakaahei, ka kaha te hopu me te penapena i nga raraunga taumai.Ko tenei tikanga e whakaatu ana i te hiahia ki te pupuri i nga korero mo te wa poto, ina koa mo nga punaha e hiahia ana ki te rokiroki raraunga.Ko te ahua whiriwhiri o tenei tukanga ka whakarite ko nga whakaurunga whai take anake ka puta, ka poipoi i te tika i roto i nga taiao whakahaere.
• Te Pupuri Whenua
Ka wetewete te tohu whakaahei, ka mau tonu te raka i tona ahuatanga whakaputa o naianei.Ma tenei e whakapumau te haere tonu me te aukati i nga whakarereketanga ohorere, he waahanga whai hua mo nga punaha whakahaere i nga mahi tairongo-raraunga.Ko nga tono penei i nga putunga mahara me nga rehita rokiroki rangitahi e whakamahi ana i tenei kaha ki te whakarite i te pono o nga raraunga.
• Pūmautanga Rangitahi
I roto i nga ahuatanga kaore e hohe ana te tohu whakaahei, ka whakamarumaru te karaka i ona uara kua penapena mai i nga raruraru i puta mai i te koretake o te whakauru.Ko tenei whakamarumaru ka hanga i te manahau ki roto i te punaha, ina koa mo nga tono e pa ana ki te haruru, ki nga koikoi tere ranei, penei i nga punaha whakahaere ahumahi, i nga whatunga whakawhitiwhiti mamati ranei.
He mea nui nga here ki te arotau i te mahi o nga matrices LED me nga whakaaturanga ngongo matihiko.Ko a raatau tikanga maukati raraunga tairongo ka pai ake te mahi ma te whakaiti i te hiahia mo nga whakahoutanga tohu tonu.
Hei tauira, whakaarohia nga whakaaturanga stroboscopic maha-mati me nga reeti whakamau mo te 30 manomano.Ma te pupuri i nga tohu raraunga mo te wa poto, ka mawhiti nga here i te kaitukatuka mai i te taumahatanga o nga huringa whakahou tonu.Ehara tenei i te whakaiti noa i te riipene rorohiko engari ka tohatoha ano i nga rauemi tukatuka ki etahi atu mahi uaua, penei i nga tatauranga uaua, te whakahaere i nga aukati tino nui.
I roto i nga taiao mahi maha, ka whakamaarama nga here i te whakahaere rawa me te whakaniko i te ruruku mahi.Ka kitea tetahi tono rongonui i roto i nga panui whakahaere aunoatanga ahumahi.I konei, ka mau tonu nga here i nga ahuatanga whakaputa i puta mai i nga tohu tere, e taea ai e nga punaha te whakahaere i nga tikanga tino wa me te kore e whakararu i te whakautu.
Ko tenei hoahoanga ka whakaiti i te roanga ka ara ake i te wa e mahia ana nga mahi.Ko te mutunga mai, ko nga mahi e tika ana kia tika te waa me te aro wawe ka mahia me te kaha ake me te pono.
Ko te tono tika o nga here e whakaatu ana i te toenga whakaaro: te takawaenga i waenga i nga whakauru ephemeral me te mau tonu o nga ahuatanga e hiahiatia ana.Ahakoa e mau ana i roto i nga maataapono hiko, ka kitea e nga here te hononga tohu i waenga i te ngawari o te hanganga me te urutau mahi.

Ka kitea te kaha o nga here i roto i nga punaha matihiko ma te pupuri i nga ahuatanga putanga motuhake mai i nga rereketanga whakauru tae noa ki te whakahohehia e nga tohu mana motuhake.Ko tenei mahi motuhake ka noho kapiti hei huānga matua i roto i nga iahiko whakauru, ina koa i roto i nga iahiko raupapa, nga punaha tatau, me nga tikanga mo te pupuri raraunga i runga i te tono.Ko ta ratou whakaurunga ka awhina i te tukutahitanga, te mana whakahaere, me te tiaki i nga raraunga, ka whai waahi katoa ki te whakatairanga i te kaha whakahaere o te tini o nga tono matihiko.
Ka whai waahi nui nga raka i te wa e mahihia ana hei rehita raraunga me nga kaitarai maumahara, e whakaatu ana i ta raatau whakamahinga i roto i nga punaha microcontroller e hiahia ana ki te atanga mahara o waho.
• Pupuri Wāhitau Tino: Ina uru mai te mahara o waho, ka mahi nga here hei wae-waea-a-rakau e whakahohehia ana e nga tohu penei i te Address Latch Enable (ALE).Ma tenei ka taea te pupuri mo te wa poto o nga raraunga wahitau tino nui, te whakamaarama i nga tukatuka raraunga ka whai ake i te wa e karohia ana nga papā i waenga i nga waahi noho me nga pahi raraunga.
• Wā Pūmautanga i roto i ngā Mahi Mahara: He nui nga painga o nga huringa panui me te tuhi mai i nga ahuatanga whakapumau o nga here, te whakaheke i nga hapa o te waa me nga wero korero puta noa i nga waahanga.
Ka mau nga reeti i nga raraunga i roto i nga ahuatanga pumau, e whakarato ana i te turanga pono mo te hoahoa punaha modular.Ka awhina tenei ki te wehe i nga tikanga, ka ngawari ake te whakatauine me te rapurongoa me te kore e pa ki etahi atu waahanga.Ko taua whakamahinga e tautoko ana i nga mahi pumau i roto i nga punaha penei i nga papaa whakauru e whakahaere ana i nga momo mahi.
I roto i nga microcontrollers me nga tauranga I/O maha, he tiritiri ano, he mea nui nga here mo te takawaenga i te whakataetae peripheral.Ko te raka me te wetewete o nga ara raraunga ka whakanui ake i te ruruku o nga mahi tukutahi i roto i nga punaha uaua.
• Arahina, Matrix ranei Mana Whakaaturanga: Na roto i te rokiroki tika o nga raraunga me nga whakawhitinga o te kawanatanga, ka taea e nga kaitapahi te whakahaere i nga raupaparorohiko, i nga pakiwaituhi ranei mo nga whakaritenga rama.Ko nga huanga penei i te reiti whakamahana teitei me te mahinga kore-keripi-kore ka arotauhia i te wa e pupuri ana i te ngawari i roto i te hoahoa ara iahiko.
• Whakamaori Mahi Maha mo te Mahi Whakarara: Ko te mana raupapa o nga whenua kapiti ka whakawhiwhia ki nga kaitoi punaha te kaha ki te hoahoa i nga mahi mahi maha me te kore e tono huarahi taputapu motuhake.Ma tenei ka whakaiti i nga uaua o nga taputapu me te tautoko i nga whakaritenga hiko iti i roto i nga punaha tairongo.
Ko te whakakotahitanga o te whakamahine i kawea mai e nga here puta noa i nga waahanga punaha e whakaatu ana i nga whakapainga mahi mo te wa roa, me te whakanui i to raatau uara i roto i nga hoahoa rorohiko pai.
He pai rawa atu nga raka i roto i nga tono penei i te maha o nga korero me te tohatoha hihiri o nga rauemi taputapu tiritahi, ka taea e nga punaha microcontroller te rereke i waenga i nga mahi whakataetae i runga i nga pahi tiritahi.
• Maukati Wāhitau i te Roha Tauranga: I te wa e whakawhanui ana i nga tauranga, ka mau i te wa poto nga whakaurunga wahitau, ka taea te huri i te arotahi ki nga mahi tuku tohu ka whai ake.Ko tenei whakamahinga whai hua o nga rauemi taputapu iti e whakatairanga ana i te whakahiatotanga, he whakaritenga nui i roto i nga punaha tairongo-utu e whai ana kia mahi teitei i roto i nga hoahoa herea.
• Whakatairanga Whakatere me te Patuiro: Ko te whakatinanatanga o nga kapiti ka aukati i te koretake, te whakatairanga i te urutau, me te whakamana i nga kaitoi punaha ki te whakamahine i nga rerengamahi tauira, ka tere ake te patuiro, me te arotau i te whakamahinga taputapu.
Ko enei maataapono hoahoa tauira, kua whakamanahia ma nga tono mai i nga taputapu kawe tae atu ki te miihini-papa o te wheketere, e whakaatu ana i te kaha o nga here ki te whakawhānui atu i nga mahi a te punaha i te wa e mau tonu ana nga ohanga.
Ka whakamahia nga here ki te maha o nga mahi:
• Whakaaturanga LED: I roto i nga tatūnga penei i nga panui papa panui maha, ka taea e nga reeti te whakahou tere me te tuku marama tonu, ma te karo i nga taapiri taputapu i roto i nga iahiko taraiwa LED.
• Miihini State i roto i nga Pūnaha Mamati: Ko nga punaha raupapa e whakawhirinaki nui ana ki te whakauru raka mo te whakatauira i nga ahuatanga me nga rerenga raraunga, me te whakarite i nga mahi pono puta noa i nga waa huringa rereke.
• Rautaki Whakawhanui Tauranga: Ko nga tono microcontroller kiato e whakamahi ana i nga raka ki te whakahaere hihiko i nga peripheral, te whakatere i nga uauatanga whakahaere me te kore e uru ki nga otinga taputapu uaua.
Ma te whakamahi i nga here e whakaatu rautaki ana i to raatau kaha ki te whakatika i nga wero i roto i te wa tika, te ruruku mahi, me te arotau rawa.Na roto i te tono whakaaro, ka nui ake i nga taputapu pupuri-a-iwi noa, ka mahi hei whakakorikori mo te tere o te punaha, te whakahiatotanga, me te mahi tika i roto i nga hoahoanga mamati hou.
|
Āhuahira |
Nga here |
Kaipupuri |
|
Mahi Matua |
Rokiroki me te pupuri raraunga |
Whakawhiti me te whakahaere i te rerenga raraunga |
|
Te Whakahaere Raraunga |
Ka pupuri i nga raraunga kia huri ra ano |
Ka whakawhiti raraunga mai i tetahi waahanga ki tetahi atu |
|
Te kaupapa |
Kia mau tonu te ahua |
Whakapai ake i te rere tohu me te tere orite |
|
Tauira Whakamahi |
Te pupuri i nga uara whakaputa |
Te hono i te pūtukatuka me te peripheral |
Ka whakamahia nga here ina me penapena nga raraunga me te noho pumau.Ka whakamahia nga kaitarai ina me pai te neke o nga raraunga i waenga i nga waahanga rereke o te punaha.
Ka taea e nga kaitarai tuatoru te mahi i roto i nga ahuatanga e toru: te arorau teitei, te arorau iti, me te aukati teitei.Ko te impedance teitei ko te tikanga ka momotu te kaitarai mai i te ara iahiko.Ka awhina tenei i nga taputapu maha ki te tiri i te raina raraunga kotahi kaore he raruraru.
Ka tautokohia e enei parepare te whakawhitiwhiti korero-rua i roto i nga pahi tiritahi.Ka awhina ano hoki ratou ki te whakaiti i te whakamahinga hiko ma te whakaweto i te wa kaore e hiahiatia.Ma tenei ka pai ake te pai me te aukati i te pokanoa tohu.
|
Āhuahira |
Nga here |
Kaipupuri |
|
Te Mahi Matua |
Pupuri uara raraunga |
Whakahaerehia nga nekehanga raraunga |
|
Whanonga |
Ka mau tonu te kawanatanga |
Whakaritea te rere tohu |
|
Whakamahi Take |
Te wa me nga mahi rokiroki |
Whakarite tere me te taraiwa tohu |
|
Pānga Pūnaha |
Ka pai ake te pumau |
Ka pai ake te whakawhitiwhiti korero |
Ka arotahi nga here ki te pupuri i nga raraunga kia kore e rereke i te wa e mahi ana.Ka arotahi nga Kaipupuri ki te whakarite kia tika te neke o nga tohu i waenga i nga waahanga.
|
Te Arotahi Hoahoa |
Nga here |
Kaipupuri |
|
Whakamahinga Pai |
Te rokiroki me te mana whakahaere |
Te ararere tohu me te whakawhiti |
|
Taupānga noa |
Nga rehita me nga iahiko whakahaere |
Nga pahi raraunga me nga raina korero |
|
Te kaha |
Te pumau me te mana whakahaere |
Te ngawari me te tautoko tere |
He pai te hoahoa o te punaha e whakamahi tahi ana i nga here e rua me nga parepare.Ko nga here e whakarato ana i te rokiroki raraunga pumau, ko nga kaitarai hei whakarite kia maeneene te rere tohu.Ka awhina tenei toenga ki te whakaheke i nga whakaroa, te karo i te ngaro o nga tohu, me te whakapai ake i te mahinga o te punaha.
Ko nga maramara 74-raupapa e tohu ana i te kukuwhatanga o te hoahoa ara iahiko, e mohiotia ana mo te urutau me te tauine.I te roanga o te wa, ka iti ake te whaihuatanga o etahi momo rerekee na te mea he puhoi te tere o te whakahaere, te koretake o te whakamahi hiko, te iti o te mahi ki te whakahaere i nga punaha uaua.Heoi ano, ko nga maapono taketake me te hoahoanga e hangai tonu ana i nga ahunga whakamua mamati hou, e whakahihiri ana i nga whitiwhitinga motuhake, mahi teitei kua whakaritea ki nga hiahia o naianei.
Ko te putanga mai o te 74H-raupapa i aro ki te tono nui mo te tere ake o nga mahi whakahaere i roto i te arorau transistor-transistor (TTL).Ko tana tere tere e tohu ana i te ahunga whakamua ine, engari na te pikinga o te whakapau kaha i iti te whai hua ki nga hoahoa tairongo hiko.
Ko nga tirohanga o mua e whakaatu ana i te tino heke o tona whakamahinga whanui, na te tipu haere o te hiahia mo nga iahiko i hangaia hei whakataurite i te pai ki te mahi, he hiahia ki roto i nga hoahoa whakauru kua arotauhia mo nga taiao-kaha.
Ko te whakaurunga o nga diodes Schottky ki roto i te 74S-raupapa i huri i te hoahoa TTL, ka whakaheke i nga whakaroa me te whakarei ake i nga tere tukatuka rorohiko.
Ahakoa i noho tonu tana tono ki roto i nga waahi motuhake, ka mau tonu te paanga o tenei raupapa ki runga i te huarahi o nga hua TTL tere-tere.Ko ona tohu mahi i whakatakoto te turanga mo te ahu whakamua hangarau i muri mai.
Ko te 74LS-raupapa i tutuki te taurite pai i waenga i te hanga ohaoha me te pono o te whakahaere, e tika ana mo nga punaha iti ki te reo-rahi.
I kitea e tenei raupapa te whakamahi nui i roto i nga hoahoa penei i nga kaiwhakahaere arorau taketake me nga iahiko rorohiko-waenganui.Ka noho hei whiriwhiri i roto i nga kaupapa here-putea, tae atu ki nga tauira o te matauranga me nga tono arumoni taumata-whakaurunga i te nuinga o te wa ka whakaarohia nga hokohoko-whakawhitinga.
Ko nga tere whakawhiti tere, i inehia ki te 4ns, me te whakaiti i te whakapau hiko tata ki te 1mW i tautuhia te raupapa 74ALS hei whakamohoatanga nui atu i nga hoahoa o mua.
Na te mea e tika ana mo nga whakaritenga rorohiko tere-tere me nga punaha mohio-kaha i kaha ake te ataahua mo nga taputapu whakahaere pākahiko.E mohiotia ana te kaha kaha mo nga tono e hiahia ana kia tika, kia tika hoki te whakamahi rauemi.
Ko te raupapa 74AS-raupapa i tutuki i te tere whakawhiti toharite o 1.5ns, e pana ana i nga rohe o te hangarau TTL.
Ko nga umanga e whai ana kia tere te tango raraunga, angamahi whakamatautau ranei i awhi i tenei raupapa na tona kaha ki te whakaahei i nga whakawhitinga tata tonu.Ma te mahi pera, i whakawhiwhia nga painga ine i roto i nga tono i hono tika te tere whakahaere ki nga ine angitu, tae atu ki nga paanga putea me te hangarau.
Ko te whakauru i te raupapa 74HC i whakakotahi i nga painga o te tukatuka TTL me te kaha o te kaha o te CMOS, ka iti ake te whakamahi hiko i te taha o nga mahi tukatuka tere.
Ko te hototahi ki te raupapa 74LS ka taea te neke maeneene ki nga punaha CMOS.Ko tenei raupapa e tautoko ana i te hikohiko kawe me nga tono IoT me te tauine ngawari me te whakauru ngawari.Ka awhina enei ahuatanga ki te whakatutuki i nga hiahia o nga taiao hangarau tere.
Ka whai waahi nui nga raka ki te hikohiko mamati ma te whakarato i te rokiroki raraunga rangitahi, te pumau o te tohu, me te pai ake o te ruruku i waenga i nga waahanga punaha.Ka awhina ratou ki te whakapai ake i te mana o te waa, te tautoko i nga mahi whakauru me nga mahi whakaputa, me te whakaiti i te kawenga tukatuka i roto i nga tono maha.Mai i nga rehita me nga kaitarai hei whakaatu i te mana whakahaere me te roha tauranga, ka whai waahi nga here ki te hoahoa punaha pono me te ngawari.Ko ta ratou whakamahi tonu i roto i nga whanau arorau 74-raupapa ka whakaatu hoki i to raatau uara pumau i roto i nga punaha hiko tuku iho me nga punaha hiko hou.
Ka huri te raka i te whakaputanga i te wa e kaha ana te tohu whakauru, no reira ka urupare tonu ki nga taumata whakauru.Ka hurihia e te pire-flop te putanga ki tetahi tapa karaka motuhake, penei i te pikinga, te heke ranei.Ma tenei ka arai-tairongo te reeti me te taha huri-flop.He ngawari ake, he tere ake hoki nga here, engari he pai ake te whakahaere a te pore-flop ki nga punaha kua whakaritea.
Ko te ahua tuarua e pa ana ki te ahua putanga rereke o te raka.I te nuinga o te wa e rua nga ahuatanga pumau o te kapiti, ko tetahi hei tohu arorau 0 me tetahi hei tohu arorau 1. Ko te ahua tuarua ko tetahi atu ahuatanga i muri i te huringa.E whakaatu ana ka taea e te raka te huri me te pupuri i tetahi uara hou.
Ka whakahaere a LE i te wa e whakaae ana te raka ki nga raraunga whakauru.Ina kaha ana a LE, ka whai te raka i te whakaurunga me te whakahou i te uara kua penapena.Ina kore te LE e hohe ana, ka mau te raka i te uara whakamutunga.Ka whakahaeretia e OE mena ka tukuna nga raraunga rongoa ki te putanga.Ina kaha te OE, ka kitea te putanga.I te wa e hohekore ana te OE, ka monokia te whakaputanga, he maha nga wa ka tuuhia ki roto i te ahua nui.
2024/07/29
2024/08/28
2024/10/6
2024/07/4
2024/04/22
2023/12/28
2024/07/15
2024/11/15
2024/07/10
2025/09/20









